Açıklama
XCF FORMATINI İNDİRMEK İÇİN TIKLAYINIZ
- TEKNİK ÖZELLİKLER:
| Güç | 6W |
| Dönüş hızı (d/dk.) | 1250 |
| Voltaj | 1*220V |
| Frekans | 50Hz |
| Akım (A) | 0,14 |
| Başlangıç momenti (mN.M) | 50 |
| Anma momenti (mN.M) | 44 |
| Kondansatör | 0,8µF/450V |
| Motor çapı (mm) | 60 |
| Koruma sınıfı | IP 44 |
| İnsülasyon sınıfı | B |
| İşletim modu | S1 |
| Dönüş yönü | Çift yönlü |
| Soğutma | IC 410 – TENV |
- TORK TABLOSU (N.m):
| Hız (RPM) | 500 | 300 | 200 | 150 | 120 | 100 | 75 | 60 | 50 | 30 | 20 | 15 | 7.5 | 5 | |
| Tahvil oranı | 3 | 5 | 7.5 | 10 | 12.5 | 15 | 20 | 25 | 30 | 50 | 75 | 100 | 200 | 300 | |
| 6W | 50Hz | 0.12 | 0.20 | 0.30 | 0.39 | 0.50 | 0.60 | 0.78 | 0.89 | 1.1 | 1.65 | 2.4 | 3 | 3 | 3 |
| 60Hz | 0.10 | 0.17 | 0.25 | 0.30 | 0.42 | 0.50 | 0.60 | 0.75 | 0.90 | 1.4 | 2.0 | 2.7 | 3 | 3 | |
Not: Hız değerlerinde sekron hız değerleri temel alınmıştır. Anma tork koşulları altında gerçek çıkış hızları senkron hızlara göre 10~20% daha az olacaktır.
- BAĞLANTI ŞEMASI:

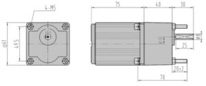
- PARALEL MİL REDÜKTÖR ÖLÇÜLERİ:

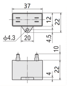
- KONDANSATÖR ÖLÇÜLERİ:

- HIZ AYARLI MOTOR ÖLÇÜLERİ:










Değerlendirmeler
Henüz değerlendirme yapılmadı.